首 页
公司介绍
联系我们
021-6329-2866
点击发邮件
点击QQ在线咨询
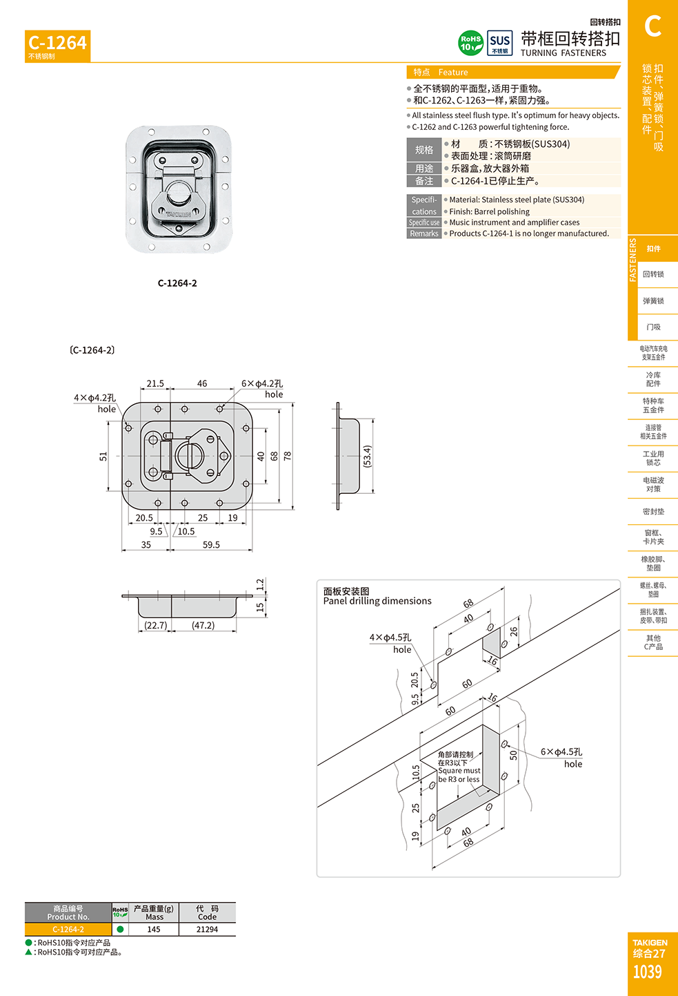
C-1264
带框回转搭扣
样本视图
下载本页样本PDF
产品编号
RoHs
备注
代码
C-1264-1
21293
C-1264-2
21294